錘擊試驗裝置SC-CJ60
GB/T 2694附錄B 熱浸鍍鋅層附著性試驗 ,落錘試驗的方法
產品概述:
本試驗裝置符合GB/T2694-2010、YDT757等標準的落錘試驗方法,適用于熱浸鍍鋅層附著力試驗,是利用錘頭自由跌落擊打試樣來測試鍍鋅層是否合標準。
本產品適用于鐵塔類似生產廠家和質檢部門進行產品質量檢測和控制。
技術參數:
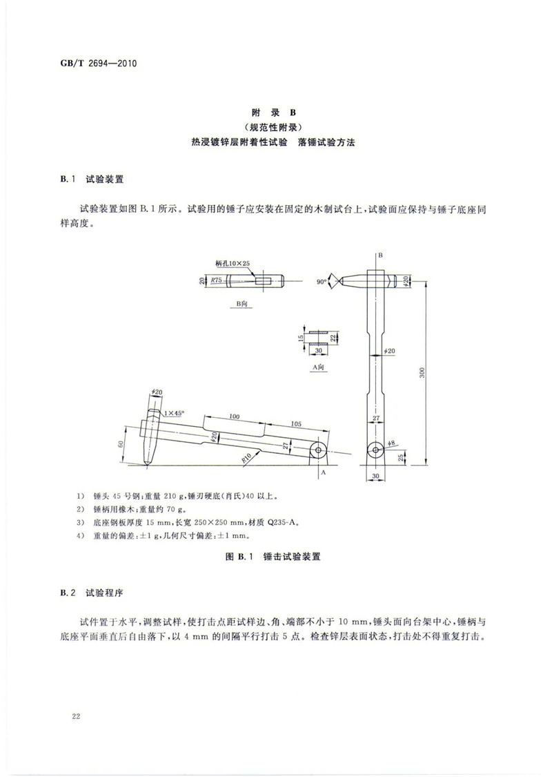
1、符合GB/T 2694-2010 輸電線路鐵塔制造技術條件中《附錄B 熱浸鍍鋅層附著性試驗 、落錘試驗的方法》。
2、錘頭。材料:45號鋼,質量:210g±1g
3、錘柄材料:橡木,重量約70g
4、底座:厚度15mm,長寬:250X250mm,材質Q235-A
5、錘頭中心線至底座面垂直高度:300mm±1mm
使用方法:
1、試驗裝置如圖B.1所示。試驗用的錘子應安裝在固定的木制試臺上,試驗面應保持與錘子底座同樣高度。
2、根據臺面水平儀調整裝置使其處于水平,調整試樣,試樣置于水平,使打擊點距試樣邊、角、端部不小于10mm,錘頭面向臺架中心,錘柄與底座平面垂直后自由落下,以4mm的間隔平行打擊5點。檢查鍍鋅層表面狀態,是否符合標準要求,打擊處不得重復打擊。

如需了解更多產品信息請聯系:
鐘先生
電話:020-31068736
手機(微信):15989266991
QQ:8933882
http://www.shice17.com
技術參數:
1、符合GB/T 2694-2010 輸電線路鐵塔制造技術條件中《附錄B 熱浸鍍鋅層附著性試驗 、落錘試驗的方法》。
2、錘頭。材料:45號鋼,質量:210g±1g
3、錘柄材料:橡木,重量約70g
4、底座:厚度15mm,長寬:250X250mm,材質Q235-A
5、錘頭中心線至底座面垂直高度:300mm±1mm